貝特機械-大型腳輪生產廠家
30年專業(yè)從事重型腳輪等產品的生產和銷售
全國咨詢熱線: 13907327869

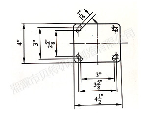
| 輪徑 (英寸) | 輪寬 (英寸) | 車輪材料 | 載重 (磅) | 軸承類型 | 總高度 (英寸) | 偏轉半徑 (英寸) | 腳輪代號 |
| 旋轉 | |||||||
| 4 | 2 | 鐵芯橡膠 | 350 | 滾針軸承 | 5 5/8 | 3 3/16 | TNMR42S |
| 鐵芯聚氨酯 | 700 | TNPU42S | |||||
| 鑄鐵 | 700 | TNSS42S | |||||
| 鐵芯尼龍 | 350 | TNMN42S | |||||
| 酚醛 | 350 | TNPH42S | |||||
| 5 | 2 | 鐵芯橡膠 | 400 | 滾針軸承 | 6 1/2 | 3 7/8 | TNMR52S |
| 鐵芯聚氨酯 | 900 | TNPU52S | |||||
| 鑄鐵 | 900 | TNSS52S | |||||
| 鐵芯尼龍 | 400 | TNMN52S | |||||
| 酚醛 | 550 | TNPH52S | |||||
| 6 | 2 | 鐵芯橡膠 | 450 | 滾針軸承 | 7 1/2 | 4 9/16 | TNMR62S |
| 鐵芯聚氨酯 | 900 | TNPU62S | |||||
| 鑄鐵 | 900 | TNSS62S | |||||
| 鐵芯尼龍 | 450 | TNMN62S | |||||
| 酚醛 | 600 | TNPH62S | |||||
| 8 | 2 | 鐵芯橡膠 | 550 | 滾針軸承 | 9 1/2 | 6 | TNMR82S |
| 鐵芯聚氨酯 | 900 | TNPU82S | |||||
| 鑄鐵 | 900 | TNSS82S | |||||
| 鐵芯尼龍 | 550 | TNMN82S | |||||
| 酚醛 | 650 | TNPH82S |